Web Analytics Made Easy - Statcounter
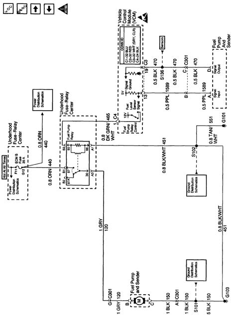
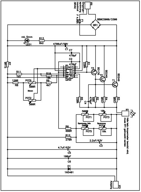
Gooseneck Trailer Plug Wiring Diagram: Master Your Towing

Gooseneck Trailer Plug Wiring Diagram: Master Your Towing

Gooseneck Trailer Plug Wiring Diagram: Master Your Towing Wiring bargman junction pj brake gooseneck harness